Products
- Compression Tube Fittings
- Pipe Fittings
- High Pressure Pipe Fittings
- Adaptor Male x Female
- Reducing Adaptor Male x Female
- Hex Coupling - Female
- Hex Reducing Coupling - Female
- Hex Nipples BSPP x BSPP
- Hex Reducing Nipples BSPP x BSPP
- Hex Nipples NPT x NPT
- Hex Reducing Nipples NPT x NPT
- Hex Nipples JIC x JIC
- Hex Nipples BSPP x NPT
- Hex Reducing Nipples BSPP x NPT
- Hex Nipples NPT x JIC
- Hex Nipples Long
- Pipe Cap NPT
- Hex Plug NPT
- Elbow Male x Male
- Elbow Male x Female
- Tee Male
- Elbow Female
- Tee Female x Female
- Cross Female x Female
- Needle Valves
- 2-Way Manifold Valves
- 3-Way Manifold Valves
- 5-Way Manifold Valves
- Ball Valves
- Quick Disconnect Couplings
- PTFE Coated Products
- Fluoropolymer Coatings
- Lined Pipes and Fittings
Contact Us
- Impact Impex
- impactimpex@gmail.com
- sales@impactimpex.com
- Telephone: +91-22-2340 1191
- Mobile: +91-99676-76717
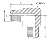
Elbow / Male x Male / 10,000 psi
A High Pressure Male Elbow is a Threaded Pipe fitting which consists of a piece of metal block with connections at 90 degree, provided with a NPT Male threaded connection at both the ends, for connecting two other fittings or pipes at a 90 degree angle at high pressure upto 10,000 psi.


Design : IIPF/10K/ME
Part No. |
P1 |
L |
C |
|
IIPF/10K/ME/2I |
1/8" |
0.69" |
0.69" |
0.63" |
IIPF/10K/ME/4I |
1/4" |
0.94" |
0.94" |
0.75" |
IIPF/10K/ME/6I |
3/8" |
0.97" |
0.97" |
0.87" |
IIPF/10K/ME/8I |
1/2" |
1.31" |
1.31" |
1.00" |
