Products
- Compression Tube Fittings
- Pipe Fittings
- High Pressure Pipe Fittings
- Adaptor Male x Female
- Reducing Adaptor Male x Female
- Hex Coupling - Female
- Hex Reducing Coupling - Female
- Hex Nipples BSPP x BSPP
- Hex Reducing Nipples BSPP x BSPP
- Hex Nipples NPT x NPT
- Hex Reducing Nipples NPT x NPT
- Hex Nipples JIC x JIC
- Hex Nipples BSPP x NPT
- Hex Reducing Nipples BSPP x NPT
- Hex Nipples NPT x JIC
- Hex Nipples Long
- Pipe Cap NPT
- Hex Plug NPT
- Elbow Male x Male
- Elbow Male x Female
- Tee Male
- Elbow Female
- Tee Female x Female
- Cross Female x Female
- Needle Valves
- 2-Way Manifold Valves
- 3-Way Manifold Valves
- 5-Way Manifold Valves
- Ball Valves
- Quick Disconnect Couplings
- PTFE Coated Products
- Fluoropolymer Coatings
- Lined Pipes and Fittings
Contact Us
- Impact Impex
- impactimpex@gmail.com
- sales@impactimpex.com
- Telephone: +91-22-2340 1191
- Mobile: +91-99676-76717
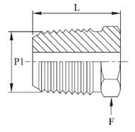
Hex Plug / NPT / 10,000 psi
A High Pressure Hex Plug NPT is a Threaded Pipe fitting which consists of a very short piece of Hex pipe, provided with a NPT Male pipe thread at one end and the other end closed, for sealing a NPT female end of a pipe or fitting at a high pressure of 10,000 psi.


Design : IIPF/10K/HP
Part No. |
P1 |
F |
L |
IIPF/10K/HP/2I |
1/8" |
7/16" |
0.56" |
IIPF/10K/HP/4I |
1/4" |
5/8" |
0.84" |
IIPF/10K/HP/6I |
3/8" |
3/4" |
0.84" |
IIPF/10K/HP/8I |
1/2" |
7/8" |
1.09" |
IIPF/10K/HP/12I |
3/4" |
1-1/8" |
1.17" |
IIPF/10K/HP/16I |
1" |
1-3/8" |
1.36" |
