Manifold - H - 5 Way (Direct Mounting)

Dwg No. IIMV/5R/03Manifold - R - 5 Way-01 process diagram

 

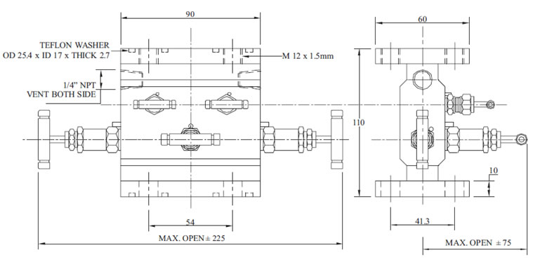
Manifold - R - 5 Way-01 process diagram

 

 

Orifice : 4 mm
Approximate Weight : 3.2 kg
Pressure : up to 6000 psi
Temperature : up to 400°C
All dimensions in Millimetre

Manifold - T - 5 Way (Direct Mounting) Accessory
Manifold - H - 5 Way (Direct Mounting)
Manifold - H - 5 Way (Direct Mounting) Diagram