Contact Us
- Impact Impex
- impactimpex@gmail.com
- sales@impactimpex.com
- Telephone: +91-22-2340 1191
- Mobile: +91-99676-76717
Lined Pipes
PIPE:
15 - 600 NPS
ANSI # 150
Steel Fabrication
PTFE: ASTM D 4894 Type IV & D 4895 Type III

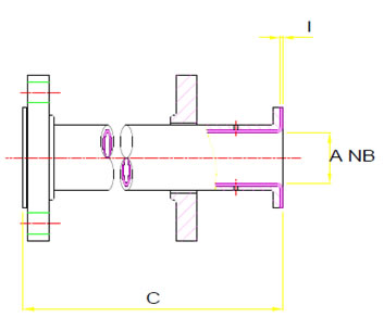
A mm |
C mm |
C mm |
T mm |
1m |
+ 1m |
|
|
max. |
min. |
STD |
HD |
~kg |
~kg |
15 |
3,000 |
90 |
1.5 |
2 |
2 |
1.5 |
20 |
3,000 |
90 |
1.5 |
2 |
3 |
2.1 |
25 |
6,000 |
90 |
2.13 |
3.18 |
5.2 |
3.1 |
32 |
6,000 |
90 |
2.13 |
3.18 |
6.7 |
3.9 |
40 |
6,000 |
95 |
2.13 |
3.18 |
7.5 |
5 |
50 |
6,000 |
110 |
2.13 |
3.18 |
10.8 |
6.6 |
65 |
6,000 |
110 |
2.13 |
3.18 |
14.8 |
7.3 |
80 |
6,000 |
120 |
2.16 |
3.18 |
20 |
12.9 |
100 |
6,000 |
125 |
N.A. |
4.25 |
29.8 |
18.6 |
125 |
4,500 |
140 |
N.A. |
4.5 |
37 |
23 |
150 |
3,000 |
140 |
3.76 |
5.25 |
48.7 |
33.8 |
200 |
3,000 |
145 |
4.25 |
6.75 |
75.5 |
52 |
250 |
3,000 |
155 |
5.25 |
7.75 |
98.4 |
62 |
300 |
3,000 |
160 |
6.35 |
9 |
120 |
82 |
350 |
2,000 |
180 |
6.5 |
10 |
159 |
83.4 |
400 |
2,000 |
180 |
6.5 |
10 |
192 |
95.6 |
450 |
2,000 |
190 |
6.5 |
10 |
214 |
108 |
500 |
2,000 |
200 |
6.5 |
10 |
255 |
120.3 |
600 |
2,000 |
210 |
6.5 |
10 |
335 |
144.7 |
